沥青路面图集是一份高清完整的05MR201城市道路图集。这里拥有整个城市的各个干道地图,每个干道精细到支路和次支路,并且每条干都非常详细,有需要的可以直接拿下。

【基本介绍】
05MR201城市道路(沥青路面)图集是一份pdf格式高清完整版由45页组成的05mr201图集,图集内容完全免费,05MR201城市道路(沥青路面)图集通常被简称为05mr201图集,参照公路沥青路面设计规范,结合城市道路特点,以新建道路设计和典型结构为主要内容,编制出05MR201《城市道路—沥青路面》国家标准设计图集。
【图集目录】
目录1
总说明2
快速路、大城市主干路典型结构16
大城市主干路典型结构21
大城市次干路、中小城市主干路典型结构24
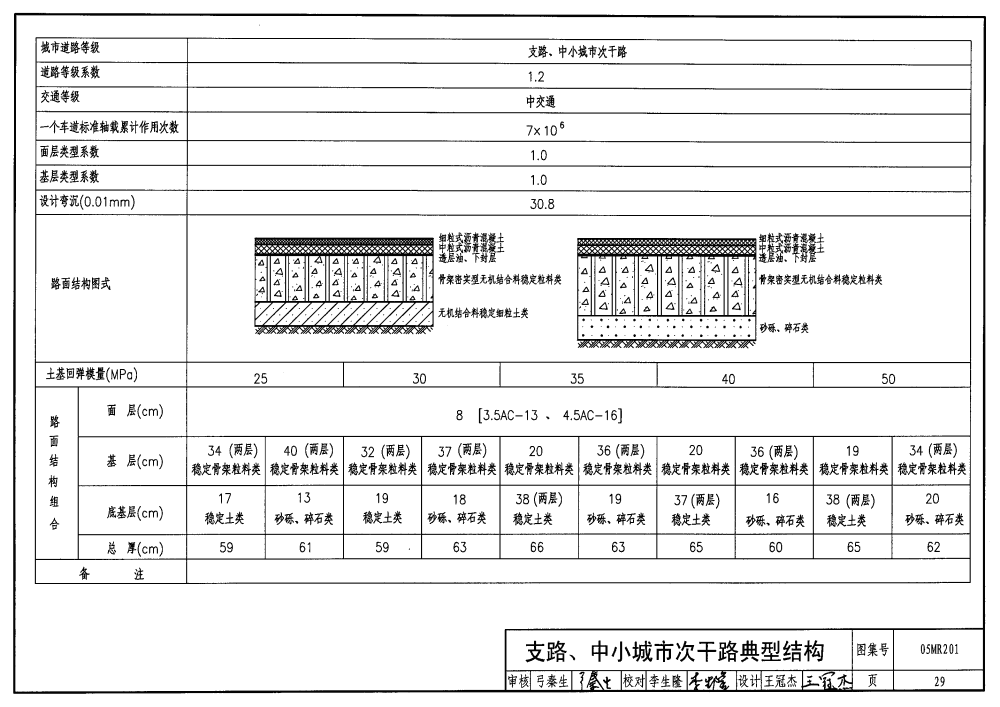
支路、中小城市次干路典型结构29
支路典型结构32
非机动车道典型结构35
新旧沥青路面基层搭接处理图36
附录一:轴载换算表(货车)37
附录二:轴载换算表(客车)38
附录三:一车道累计当量轴次计算表40
附录四:材料设计参数参考表41
附录五:季节性冰冻地区冻结指数表42






































