Multisim汉化破解版是一款专业的SPICE仿真标准环境,它可以帮助教学、科研和设计人员分析模拟、数字和电力电子电力,拥有所见即所得的设计环境、动态显示元件、互动式的仿真界面、3D效果的仿真电路等特色。

它是电路教学解决方案的重要基础,用户不仅可通过设计、原型开发、电子电路测试等实践操作来提高学生的技能。还可在工程中使用Multisim设计方法可减少原型迭代次数并帮助用户在设计过程中更及时地优化印刷电路板(PCB)设计。
Multisim14.0进一步增强了强大的仿真技术,可帮助教学、科研和设计人员分析模拟、数字和电力电子电力。新增的功能包括全新的参数分析、与新嵌入式硬件的集成以及通过用户可定义的模板简化设计,而且Multisim标准服务项目(SSP)客户还可参加在线自学培训课程。
【软件特性】
1、运行NI_Circuit_Design_Suite_14_0.exe,默认解压C盘,改成其他盘并记住位置,解压后会自动运行其文件夹下的autorun.exe,如无运行可点击setup.exe直接安装。

2、点击第一项开始安装

3、输入任意Name和序列号,弹出窗口点击NO

4、选择安装目录,注意不要带有中文

5、将选项中的勾去掉

6、勾选允许用户协议

7、点击NEXT开始安装

8、等待安装完成

9、将汉化补丁“Chinese-simplified”复制到软件目录下的stringfiles文件夹,默认目录为C:Program Files (x86)National InstrumentsCircuit Design Suite 14.0stringfiles

10、运行破解工具“NI_Circuit_Design_Suite_14_0.exe”,右键点击Multisim14下的选项,点击“Activate..”将选项全部变为绿色即可。

介绍中的范例仿真一个标准非反向运算放大器电路(如图1所示)。 该非反向放大器的增益通过下列表达式计算:增益 = 1 + R1/R2。 因此,如果R1 = R2,则增益等于2,可在Multisim中运行交互式仿真时进行验证。

2. A部分:选择元件
在Multisim环境中开始绘制电路。
选择所有程序?National Instruments Circuit Design Suite 13.0?Multisim 13.0,打开Multisim。
选择Place?Component。 出现Select a Component窗口(也称Component Browser),如图2所示。

Component Browser由三个逻辑层次的数据库元件组成。 Master Database包含所有只读格式的装运元件。 Corporate Database用于保存与同事共享的自定义元件。 最后User Database保存的自定义元件只能由特定设计人员使用。
附加说明
元件(部件)分成Groups和Families,以便直观并按逻辑将相同部件组合在一起,从而使搜索更加轻松有效。
Component Browser在一个弹窗中显示元件名称、符号、功能说明、模型和封装信息。
选择Source组并高亮显示POWER_SOU RCES系列。
选择GROUND元件(如图2所示)。
单击OK。 Select a Component窗口暂时关闭,接地符号被“粘附”到鼠标指针上。
移动鼠标至工作区的合适位置并左键单击可放置元件。 放置元件后,Select a Component窗口将再次自动打开。
再次回到Sources组并高亮显示POWER_SOURCES系列(如未从之前的选择高亮显示)。
选择DC_POWER元件。
在电路图上放置DC_POWER元件。
重复步骤7、8和9,放置第二个DC_POWER元件。
附加说明
没有电源和接地接线端,仿真无法运行。
如需多个元件,可重复上述放置步骤或放置一个元件,然后使用拷贝(Ctrl+C)和粘贴(Ctrl+V)根据需要放置其他元件。
默认情况下,Select a Component窗口不断返回为弹窗,直至完成放置元件。 关闭窗口,返回电路图绘制窗口。
现在使用上述步骤中的方法放置其他电路元件。
选择Analog组和OPAMP系列。
在Component栏中输入AD712。
选择AD712SQ/883B元件,如下图所示:

注意该元件是一个多节元件,如A和B选项卡所示。
将AD712SQ/883B元件的A节段放置在工作区域。
返回Select a Component窗口。
选择Basic组、Resistor系列。
选择一个1 kΩ电阻。 在Footprint manufacturer/type栏中选择IPC-2221A/2222/RES1300-700X250。
放置电阻。
注意,元件粘附于鼠标指针上时,通过Ctrl+R快捷方式可在放置前旋转元件。
重复步骤16、17和18可再放置一个1 kΩ电阻。
选择Sources组、SIGNAL_VOLTAGE_SOURCES系列,并放置AC_VOLTAGE元件。 此时,电路图应如下图所示:

3. B部分:电路图连线
Multisim是一个无模式连线环境。 这意味着Multisim根据鼠标位置确定鼠标指针的功能。 用户选择放置、连线和编辑工具时无需返回菜单。
将鼠标指针移动到元件引脚附件开始连线。 鼠标显示为十字光标,而非默认的鼠标指针。
单击部件引脚/接线端(本例中的opamp输出引脚),放置初始连线交叉点。
将鼠标移动到另一个接线端,或双击鼠标将连线端点指向电路图窗口某个浮动位置完成连线。
使用复制(Ctrl+C)和粘贴(Ctrl+V)创建接地符号的一个副本。
如图5所示完成连线。无需考虑连线上的标号号码(也称网)。

最后关键的一步就是使用页面连接器(On-page connector)通过虚拟连接将电源接线端连接到opamp的正负电源线。
选择Place?Connectors?On-page connector并将其连接至V1电源的正极端子。 On-page Connector窗口将打开。
在Connector name栏输入+V并单击OK。
选择另一个页面连接器并将其连接至opamp的接线端8。 On-page Connector窗口将再次打开。
在Available connectors列表中选择+V连接器并单击OK。 V1 DC电源的正极接线端通过虚拟连接现已连接到opamp的引脚8。
重复步骤6至9,将V2的负极接线端连接到opamp的引脚4。 将页面连接器命名为–V。 线路图现在应如下图所示:

4. C部分:仿真电路
现在您就可以运行交互式Multisim仿真;但是,需要一种显示数据的方法。 Multisim提供视觉化仿真测量的仪器。 仪器可在右边菜单栏找到,图标如下所示。

从菜单中选择Oscilloscope并将其放置在电路图上。
将Oscilloscope的通道A和通道B接线端连接到放大器电路的输入和输出。
放置一个接地元件并将其连接至Oscilloscope的负极接线端。
右键单击连接至通道B的连线并选择Segment color。
选择蓝色阴影并单击OK按钮。 电路图应如图8所示。

选择Simulate Run可开始仿真。
双击Oscilloscope可打开其前面板,观察仿真结果(见图9)。 输入信号按预期被放大2倍。
按下仿真工具栏上的红色停止按钮可停止仿真。

5. D部分:传输至PCB布局设计
现在即可将Multisim设计传输至Ultiboard进行PCB布局设计。 准备时需考虑到源(电源、信号)和接地均为虚拟元件,因此不能将其传输到Ultiboard。 同时,所有元件必须包含封装信息。 用连接器替换电源和接地是一个好方法。
从电路图上移除V1、 V2、V3以及Oscilloscope。 请勿移除页面连接器。
打开Component Browser,从Connectors组、TERMINAL_BLOCKS系列中放置一个282834-4接线盒。 该连接器用于连接电源(+V, -V)。
将连接器引脚1、4、2和3分别连接至+V页面连接器、–V页面连接器和接地,如下图所示:

在工作区放置另一个282834-4。 该连接器用于连接输入和输出信号。
将连接器引脚1连接至opamp引脚3(输入)。
将连接器引脚2连接至opamp引脚1(输出)。
将连接器引脚3连接至接地。 电路图如下图所示:

选择Transfer?Transfer to Ultiboard?Transfer to Ultiboard 13.0并保存网表文件。 Ultiboard将自动打开。
单击OK接受Import Netlist窗口中列出的所有操作。 Ultiboard将创建一个默认的电路板轮廓。 注意所有部件都位于电路板轮廓外,黄线(飞线)识别引脚之间的连接,如图12所示。

本练习使用2x2英寸电路板。 请遵循下列步骤重新调整电路板轮廓大小。
找到屏幕左侧的Design Toolbox。
选择Layers选项卡并双击Board Outline以启用该层,如下图所示。

通过Design Toolbox的Layers选项卡可移动设计的各层并控制各层的显示颜色。
回到工具栏区域并找到Select工具栏,如下图所示。

Select工具栏包含用于控制选择过滤条件的函数。 也就是说,这些过滤条件控制鼠标指针可选择的内容。
禁用除Enable selecting other objects之外的其他所有过滤条件。
双击工作区域上的电路板轮廓,打开Rectangle Properties窗口。
选择Rectangle选项卡,将Units改为inch,并在Width和Height中均输入2。
单击OK。
6. E部分:电路板布线
在电路板内放置元件。
回到Select工具栏,禁用除Enable selecting parts之外的其他所有过滤条件。
拖曳部件J2并将其置于电路板轮廓内。 通过Ctrl+R快捷键可旋转部件。
参考图15,将其他部件置于电路板轮廓内。

该练习中,Copper Top和Copper Bottom层均进行布线。
双击Design Toolbox中的Copper Top层。
选择Place?Line。
找到部件U1 (opamp)。 注意根据飞线所示,引脚1需连接至R1。
单击部件U1的引脚1,绘制一条线至R1并单击引脚完成布线。 按下Esc退出布线模式。 布线如下图所示:

双击Design Toolbox中的Copper Bottom层。
选择Place Line。
单击部件U1的引脚2,绘制一条线至R1并单击引脚完成布线。按下Esc退出布线模式。 注意,布线颜色为红色,这是Copper Bottom层的颜色配置。
完成其他连接的布线。 电路图应如图17所示。

选择View 3D Preview 可打开设计的三维视图,如下图所示。

首先打开软件,开始要新建一个工程,单击空白文档图标,新建一个工程,然后保存,设置一个好找的路径,保存即可

然后放置元器件,将元器件连接起来,就可以等待仿真了,最后放置测量仪器

单击上面的运行图标,现在软件就可以进行软件仿真了

电压表也可以读到数值,

也可以调整开关,得到不同的的结果

将上面的开关断开,现在可以看到,电压表的读数是0,说明三极管没有打开

数据测试完成,单击停止运行,即可退出仿真

现在保存工程,保存完成以后,就可以退出软件了,方便下次再用

Multisim14.0如何进行基本的电路仿真
开启我们下载好的Multisim14.0软件,如图所示(未下载的同学可百度下载);

放置我们所需要的电容、电阻、等元器件,如图所示;

选中后跳出如图中的窗口,选择我们需要的器件类型的具体型号,如图所示;

这里放置了一个电阻元件,并选择我们需要的电表,如图所示;

绘制好后,发现没有电源,那电路该如何运行呢,我们需要放置电源,选择图中箭头所指的选项,如图所示;

放置好后我们的基本的电路回路就完成啦,如图所示;

到这里,发现说好的仿真呢,这里点击图中箭头所指的运行选项,如图所示。这样电路图就完成啦。

Multisim教学版专为电路和电子技术相关内容的教学而开发,可实现学生在理论、仿真、实验室实验之间的无缝移动。 无论应用于哪个领域,Multisim提供的强大环境都具有以下优势:
1、将电路理论和方程图形化/可视化并进行直观的互动
2、通过SPICE仿真深入理解特定课程的概念
3、与NI硬件教学平台无缝集成,轻松过渡到实验室
4、帮助学生在同一环境下更快完成设计项目
Multisim专业版包含SPICE仿真和原型设计工具,用于设计具有高可靠性的的电路。 Multisim还优化了可用性,确保各领域专家和研究人员可通过以下功能快速设计PCB:
1、精确选择部件,更及时改善设计
2、通过仿真直观分析和视觉化设计
3、借助NI Ultiboard原型设计环境实现快速布局和布线
4、简化NI硬件附件的设计
5、使用NI LabVIEW集成原型验证方法

【软件介绍】
Multisim汉化破解版拥有有很多自身独特的特色,如所见即所得的设计环境、互动式的仿真界面、动态显示元件、具有3D效果的仿真电路、虚拟仪表、分析功能与图形显示窗口等等。它是电路教学解决方案的重要基础,用户不仅可通过设计、原型开发、电子电路测试等实践操作来提高学生的技能。还可在工程中使用Multisim设计方法可减少原型迭代次数并帮助用户在设计过程中更及时地优化印刷电路板(PCB)设计。
Multisim14.0进一步增强了强大的仿真技术,可帮助教学、科研和设计人员分析模拟、数字和电力电子电力。新增的功能包括全新的参数分析、与新嵌入式硬件的集成以及通过用户可定义的模板简化设计,而且Multisim标准服务项目(SSP)客户还可参加在线自学培训课程。
【软件特性】
1、主动分析模式
全新的主动分析模式可让您更快速获得仿真结果和运行分析。
2、电压、电流和功率探针
通过全新的电压、电路、功率和数字探针可视化交互仿真结果
3、了解基于Digilent FPGA板卡支持的数字逻辑
使用Multisim探索原始VHDL格式的逻辑数字原理图,以便在各种FPGA数字教学平台上运行。
4、基于Multisim和MPLAB的微控制器教学
全新的MPLAB教学应用程序集成了Multisim 14,可用于实现微控制器和外设仿真。
5、借助Ultiboard完成高年级设计项目
Ultiboard学生版新增了Gerber和PCB制造文件导出函数,以帮助学生完成毕业设计项目。
6、用于iPad的Multisim Touch
借助全新的iPad版Multisim,随时随地进行电路仿真。
7、来自领先制造商的6,000多种新组件
借助领先半导体制造商的新版和升级版仿真模型,扩展模拟和混合模式应用。
8、先进的电源设计
借助来自NXP和美国国际整流器公司开发的全新MOSFET和IGBT,搭建先进的电源电路。
9、基于Multisim和MPLAB的微控制器设计
借助Multisim与MPLAB之间的新协同仿真功能,使用数字逻辑搭建完整的模拟电路系统和微控制器

在解压的文件夹找到NI-Circuit-Design_Suite_14_0.exe鼠标右击选择打开。

解压,点击Install NI Circuit Design Suite 14.0该项。

点击Browse更改安装路径,建议安装到除C盘以外的磁盘,可在D盘或者其他盘创建一个multisim14.0文件夹。然后点击Next。

点击next,选择I accept the above 2License Adreemnrt选项,点击Next。

安装完成后,点击Restart Later。

在解压出的文件夹找到NI license Activator 1.2.exe文件,鼠标右击选择以管理员身份运行。

找到Base该项,右击找到Activate点击确定。

找到Full Edition该项,右击找到Activate点击确定。

找到Power Pro Edition该项,右击找到Activate点击确定。

找到Full Edition该项,右击找到Activate点击确定。

找到Power Pro Edition该项,右击找到Activate点击确定。

点击开始菜单栏,找到NI Ultiboard 14.0打开。安装就完成了。

全新的主动分析模式可让您更快速获得仿真结果和运行分析。
2、电压、电流和功率探针
通过全新的电压、电路、功率和数字探针可视化交互仿真结果
3、了解基于Digilent FPGA板卡支持的数字逻辑
使用Multisim探索原始VHDL格式的逻辑数字原理图,以便在各种FPGA数字教学平台上运行。
4、基于Multisim和MPLAB的微控制器教学
全新的MPLAB教学应用程序集成了Multisim 14,可用于实现微控制器和外设仿真。
5、借助Ultiboard完成高年级设计项目
Ultiboard学生版新增了Gerber和PCB制造文件导出函数,以帮助学生完成毕业设计项目。
6、用于iPad的Multisim Touch
借助全新的iPad版Multisim,随时随地进行电路仿真。
7、来自领先制造商的6,000多种新组件
借助领先半导体制造商的新版和升级版仿真模型,扩展模拟和混合模式应用。
8、先进的电源设计
借助来自NXP和美国国际整流器公司开发的全新MOSFET和IGBT,搭建先进的电源电路。
9、基于Multisim和MPLAB的微控制器设计
借助Multisim与MPLAB之间的新协同仿真功能,使用数字逻辑搭建完整的模拟电路系统和微控制器
【安装教程】
选择下载的软件压缩包,鼠标右击选择解压到“Mulitisim14.0\(E)”。
在解压的文件夹找到NI-Circuit-Design_Suite_14_0.exe鼠标右击选择打开。

解压,点击Install NI Circuit Design Suite 14.0该项。

点击Browse更改安装路径,建议安装到除C盘以外的磁盘,可在D盘或者其他盘创建一个multisim14.0文件夹。然后点击Next。

点击next,选择I accept the above 2License Adreemnrt选项,点击Next。

安装完成后,点击Restart Later。

在解压出的文件夹找到NI license Activator 1.2.exe文件,鼠标右击选择以管理员身份运行。

找到Base该项,右击找到Activate点击确定。

找到Full Edition该项,右击找到Activate点击确定。

找到Power Pro Edition该项,右击找到Activate点击确定。

找到Full Edition该项,右击找到Activate点击确定。

找到Power Pro Edition该项,右击找到Activate点击确定。

点击开始菜单栏,找到NI Ultiboard 14.0打开。安装就完成了。

【破解教程】
Multisim14.0破解教程1、运行NI_Circuit_Design_Suite_14_0.exe,默认解压C盘,改成其他盘并记住位置,解压后会自动运行其文件夹下的autorun.exe,如无运行可点击setup.exe直接安装。

2、点击第一项开始安装

3、输入任意Name和序列号,弹出窗口点击NO

4、选择安装目录,注意不要带有中文

5、将选项中的勾去掉

6、勾选允许用户协议

7、点击NEXT开始安装

8、等待安装完成

9、将汉化补丁“Chinese-simplified”复制到软件目录下的stringfiles文件夹,默认目录为C:Program Files (x86)National InstrumentsCircuit Design Suite 14.0stringfiles

10、运行破解工具“NI_Circuit_Design_Suite_14_0.exe”,右键点击Multisim14下的选项,点击“Activate..”将选项全部变为绿色即可。

【使用方法详解】
1. 介绍介绍中的范例仿真一个标准非反向运算放大器电路(如图1所示)。 该非反向放大器的增益通过下列表达式计算:增益 = 1 + R1/R2。 因此,如果R1 = R2,则增益等于2,可在Multisim中运行交互式仿真时进行验证。

2. A部分:选择元件
在Multisim环境中开始绘制电路。
选择所有程序?National Instruments Circuit Design Suite 13.0?Multisim 13.0,打开Multisim。
选择Place?Component。 出现Select a Component窗口(也称Component Browser),如图2所示。

Component Browser由三个逻辑层次的数据库元件组成。 Master Database包含所有只读格式的装运元件。 Corporate Database用于保存与同事共享的自定义元件。 最后User Database保存的自定义元件只能由特定设计人员使用。
附加说明
元件(部件)分成Groups和Families,以便直观并按逻辑将相同部件组合在一起,从而使搜索更加轻松有效。
Component Browser在一个弹窗中显示元件名称、符号、功能说明、模型和封装信息。
选择Source组并高亮显示POWER_SOU RCES系列。
选择GROUND元件(如图2所示)。
单击OK。 Select a Component窗口暂时关闭,接地符号被“粘附”到鼠标指针上。
移动鼠标至工作区的合适位置并左键单击可放置元件。 放置元件后,Select a Component窗口将再次自动打开。
再次回到Sources组并高亮显示POWER_SOURCES系列(如未从之前的选择高亮显示)。
选择DC_POWER元件。
在电路图上放置DC_POWER元件。
重复步骤7、8和9,放置第二个DC_POWER元件。
附加说明
没有电源和接地接线端,仿真无法运行。
如需多个元件,可重复上述放置步骤或放置一个元件,然后使用拷贝(Ctrl+C)和粘贴(Ctrl+V)根据需要放置其他元件。
默认情况下,Select a Component窗口不断返回为弹窗,直至完成放置元件。 关闭窗口,返回电路图绘制窗口。
现在使用上述步骤中的方法放置其他电路元件。
选择Analog组和OPAMP系列。
在Component栏中输入AD712。
选择AD712SQ/883B元件,如下图所示:

注意该元件是一个多节元件,如A和B选项卡所示。
将AD712SQ/883B元件的A节段放置在工作区域。
返回Select a Component窗口。
选择Basic组、Resistor系列。
选择一个1 kΩ电阻。 在Footprint manufacturer/type栏中选择IPC-2221A/2222/RES1300-700X250。
放置电阻。
注意,元件粘附于鼠标指针上时,通过Ctrl+R快捷方式可在放置前旋转元件。
重复步骤16、17和18可再放置一个1 kΩ电阻。
选择Sources组、SIGNAL_VOLTAGE_SOURCES系列,并放置AC_VOLTAGE元件。 此时,电路图应如下图所示:

3. B部分:电路图连线
Multisim是一个无模式连线环境。 这意味着Multisim根据鼠标位置确定鼠标指针的功能。 用户选择放置、连线和编辑工具时无需返回菜单。
将鼠标指针移动到元件引脚附件开始连线。 鼠标显示为十字光标,而非默认的鼠标指针。
单击部件引脚/接线端(本例中的opamp输出引脚),放置初始连线交叉点。
将鼠标移动到另一个接线端,或双击鼠标将连线端点指向电路图窗口某个浮动位置完成连线。
使用复制(Ctrl+C)和粘贴(Ctrl+V)创建接地符号的一个副本。
如图5所示完成连线。无需考虑连线上的标号号码(也称网)。

最后关键的一步就是使用页面连接器(On-page connector)通过虚拟连接将电源接线端连接到opamp的正负电源线。
选择Place?Connectors?On-page connector并将其连接至V1电源的正极端子。 On-page Connector窗口将打开。
在Connector name栏输入+V并单击OK。
选择另一个页面连接器并将其连接至opamp的接线端8。 On-page Connector窗口将再次打开。
在Available connectors列表中选择+V连接器并单击OK。 V1 DC电源的正极接线端通过虚拟连接现已连接到opamp的引脚8。
重复步骤6至9,将V2的负极接线端连接到opamp的引脚4。 将页面连接器命名为–V。 线路图现在应如下图所示:

4. C部分:仿真电路
现在您就可以运行交互式Multisim仿真;但是,需要一种显示数据的方法。 Multisim提供视觉化仿真测量的仪器。 仪器可在右边菜单栏找到,图标如下所示。

从菜单中选择Oscilloscope并将其放置在电路图上。
将Oscilloscope的通道A和通道B接线端连接到放大器电路的输入和输出。
放置一个接地元件并将其连接至Oscilloscope的负极接线端。
右键单击连接至通道B的连线并选择Segment color。
选择蓝色阴影并单击OK按钮。 电路图应如图8所示。

选择Simulate Run可开始仿真。
双击Oscilloscope可打开其前面板,观察仿真结果(见图9)。 输入信号按预期被放大2倍。
按下仿真工具栏上的红色停止按钮可停止仿真。

5. D部分:传输至PCB布局设计
现在即可将Multisim设计传输至Ultiboard进行PCB布局设计。 准备时需考虑到源(电源、信号)和接地均为虚拟元件,因此不能将其传输到Ultiboard。 同时,所有元件必须包含封装信息。 用连接器替换电源和接地是一个好方法。
从电路图上移除V1、 V2、V3以及Oscilloscope。 请勿移除页面连接器。
打开Component Browser,从Connectors组、TERMINAL_BLOCKS系列中放置一个282834-4接线盒。 该连接器用于连接电源(+V, -V)。
将连接器引脚1、4、2和3分别连接至+V页面连接器、–V页面连接器和接地,如下图所示:

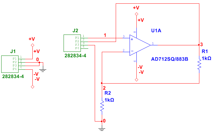
在工作区放置另一个282834-4。 该连接器用于连接输入和输出信号。
将连接器引脚1连接至opamp引脚3(输入)。
将连接器引脚2连接至opamp引脚1(输出)。
将连接器引脚3连接至接地。 电路图如下图所示:

选择Transfer?Transfer to Ultiboard?Transfer to Ultiboard 13.0并保存网表文件。 Ultiboard将自动打开。
单击OK接受Import Netlist窗口中列出的所有操作。 Ultiboard将创建一个默认的电路板轮廓。 注意所有部件都位于电路板轮廓外,黄线(飞线)识别引脚之间的连接,如图12所示。

本练习使用2x2英寸电路板。 请遵循下列步骤重新调整电路板轮廓大小。
找到屏幕左侧的Design Toolbox。
选择Layers选项卡并双击Board Outline以启用该层,如下图所示。

通过Design Toolbox的Layers选项卡可移动设计的各层并控制各层的显示颜色。
回到工具栏区域并找到Select工具栏,如下图所示。

Select工具栏包含用于控制选择过滤条件的函数。 也就是说,这些过滤条件控制鼠标指针可选择的内容。
禁用除Enable selecting other objects之外的其他所有过滤条件。
双击工作区域上的电路板轮廓,打开Rectangle Properties窗口。
选择Rectangle选项卡,将Units改为inch,并在Width和Height中均输入2。
单击OK。
6. E部分:电路板布线
在电路板内放置元件。
回到Select工具栏,禁用除Enable selecting parts之外的其他所有过滤条件。
拖曳部件J2并将其置于电路板轮廓内。 通过Ctrl+R快捷键可旋转部件。
参考图15,将其他部件置于电路板轮廓内。

该练习中,Copper Top和Copper Bottom层均进行布线。
双击Design Toolbox中的Copper Top层。
选择Place?Line。
找到部件U1 (opamp)。 注意根据飞线所示,引脚1需连接至R1。
单击部件U1的引脚1,绘制一条线至R1并单击引脚完成布线。 按下Esc退出布线模式。 布线如下图所示:

双击Design Toolbox中的Copper Bottom层。
选择Place Line。
单击部件U1的引脚2,绘制一条线至R1并单击引脚完成布线。按下Esc退出布线模式。 注意,布线颜色为红色,这是Copper Bottom层的颜色配置。
完成其他连接的布线。 电路图应如图17所示。

选择View 3D Preview 可打开设计的三维视图,如下图所示。

【使用教程】
基本操作首先打开软件,开始要新建一个工程,单击空白文档图标,新建一个工程,然后保存,设置一个好找的路径,保存即可

然后放置元器件,将元器件连接起来,就可以等待仿真了,最后放置测量仪器

单击上面的运行图标,现在软件就可以进行软件仿真了

电压表也可以读到数值,

也可以调整开关,得到不同的的结果

将上面的开关断开,现在可以看到,电压表的读数是0,说明三极管没有打开

数据测试完成,单击停止运行,即可退出仿真

现在保存工程,保存完成以后,就可以退出软件了,方便下次再用

Multisim14.0如何进行基本的电路仿真
开启我们下载好的Multisim14.0软件,如图所示(未下载的同学可百度下载);

放置我们所需要的电容、电阻、等元器件,如图所示;

选中后跳出如图中的窗口,选择我们需要的器件类型的具体型号,如图所示;

这里放置了一个电阻元件,并选择我们需要的电表,如图所示;

绘制好后,发现没有电源,那电路该如何运行呢,我们需要放置电源,选择图中箭头所指的选项,如图所示;

放置好后我们的基本的电路回路就完成啦,如图所示;

到这里,发现说好的仿真呢,这里点击图中箭头所指的运行选项,如图所示。这样电路图就完成啦。

【常见问题】
Multisim教学版和专业版有什么区别?Multisim教学版专为电路和电子技术相关内容的教学而开发,可实现学生在理论、仿真、实验室实验之间的无缝移动。 无论应用于哪个领域,Multisim提供的强大环境都具有以下优势:
1、将电路理论和方程图形化/可视化并进行直观的互动
2、通过SPICE仿真深入理解特定课程的概念
3、与NI硬件教学平台无缝集成,轻松过渡到实验室
4、帮助学生在同一环境下更快完成设计项目
Multisim专业版包含SPICE仿真和原型设计工具,用于设计具有高可靠性的的电路。 Multisim还优化了可用性,确保各领域专家和研究人员可通过以下功能快速设计PCB:
1、精确选择部件,更及时改善设计
2、通过仿真直观分析和视觉化设计
3、借助NI Ultiboard原型设计环境实现快速布局和布线
4、简化NI硬件附件的设计
5、使用NI LabVIEW集成原型验证方法

