起点提供燕秀工具箱64位下载,燕秀工具箱2018最新版是一款小巧强大的AutoCAD辅助插件工具合集软件,能够为用户提供专业可靠的AutoCAD塑胶模具设计帮助。燕秀工具箱内置丰富多样的设计工具,能够增加CAD软件附加功能的插件。既可以加载到CAD中使用,也可以独立运行,具有调用方便、灵活高效的优点,兼容性极强,适用于多个版本。

燕秀cad工具箱是一款可以帮助用户增加CAD软件附加功能的插件,通过这款软件,用户可以享受多种零件的设计以及图纸的设计操作,您可以将本软件加载到CAD中使用,也可以独立运行,通过添加CAD文件的形式将您的设计作品导入燕秀cad工具箱2017官网最新版中编辑、修改、优化;其支持的功能有近百种,并且已经将基本的功能安装一定的分类放入了菜单项目中,方便您在使用的时候可以快速调取自己需要的CAD辅助工具
2.消除全部或大部分流道废料,物料的有效利用率高,不必回用旧料;
3.缩短了成型周期,开模行程,提高了生产效率;
4.热流道均为自动切断浇口,可以提高自动化程度 ;
5.降低注塑压力,有利于保护模具,延长使用寿命;
6.多模腔模具可保证填充均匀,质量一致;
文字批量替换
文字加框
取消块隐藏
模仁角逼空
局部放大
组立图3D输出
画剖面线
画截断线
对象匹配过滤
顶针数量统计
保存视图
对象快速过滤
定位环/唧咀
智能中心线
修改标注文字高度
计算打印区域标注文字高度
修改快捷键
自定义零件库
自动定模胚大小
坐标标注+连续标注
表面粗糙度标注
智能标注

2、进入安装向导,单击【下一步】。

3、选择【我接受此协议】。

4、单击【下一步】。

5、选择软件的安装路径后,单击【下一步】。

6、选择开始菜单文件夹后,单击【下一步】。

7、选择附加任务后,单击【下一步】。

8、确认安装信息无误后,单击【安装】。

9、单击【下一步】。

10、软件安装完毕。

在安装燕秀工具箱时,会出现如下的对话框,要求我们选择电脑上已经安装好的AUTOCAD软件的版本。由于工具箱最高只能自动加载到AUTOCAD2012版本,所以在这里我们不用勾选,直接按下一步进行。完成安装后关闭。

启动AUTOCAD2014软件,在菜单栏找到“管理”,再在下拉中找到“加载应用程序”,进行点击进去。找到刚才燕秀工具箱安装的根目录。我的是安装在C盘/program files/燕秀工具箱/yanxiu.vlx。


在上一步中我们已经找到yanxiu.vlx文件,双击进行加载,如出现提示框告诉我们燕秀工具箱已经加载成功。


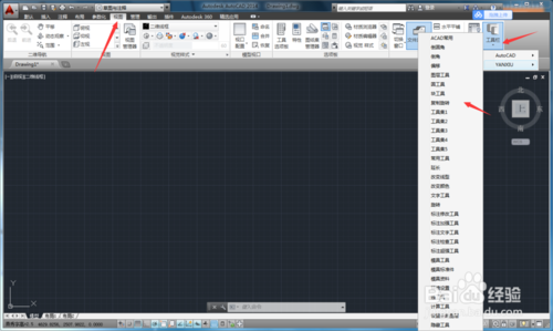
关闭AUTOCAD2014,再重新启动,就会出现如图所示所有燕秀工具加载完成的图面。由于所有的工具都显示在工作界面上,给我们的绘图会带来很大的影响,我们要关闭一些不常用的工具条。以保持界面的整洁,方便绘图。

关闭所有的工具条后,我们在需要再使用时,在”视图“菜单中找到”工具栏“,点击下面小三角符号,会出现AUTOCAD与YANXIU两个工具栏,我们把鼠标指向YANXIU后面的小三角,就会出现我们期待已久的燕秀工具箱的工具条,将我们需要的勾选,就会出现在界面中,供我们使用了。


我们也可以在现有的燕秀工具条上右键,导出所有燕秀工具条,再根据我们的实际选择需要使用的工具条。

燕秀工具箱快捷键设置教程
打开cad2007确保已经安装好燕秀工具箱

点击【燕秀工具箱】。【环境设置】-【自定义快捷键】。

弹出【cad信息】点击【确定】

弹出名为【acad.pgp】记事本文件。

以中心线为例!首先把鼠标移到中心线按钮上,就会显示出完整快捷键。中心线为yx_cen。

在【acad.pgp】记事本文件中快捷键下端加入
cen, *yx_cen

单击【文件】-【保存】

重新打开cad2007.绘制一个圆

输入cen安【空格】确定。选择圆再按【空格】确定。

中心线绘制完毕!

方法1:计算单个线段
首先打开我们要测长度所对应的cad图纸,然后鼠标左键选中我们要测的线段

然后在左键双击这条线段,就会弹出这条线段的对应信息的对话框

往下拉伸这个对话框,我们就可以看到这个线段的长度了

方法2:计算多个线段的每段长度
首先在命令栏输入命令“li"(英文大小写都可以,这个没有影响,下面步骤中输入命令也是这样,没有区分),然后按”Enter“键确定

然后我们选择两条不同的线段,如图所示,选择好对象,按”Enter“键确定

就会弹出文本窗口,上面有两个不同的对象的长度值

输入图元自动分层-------------------yx_fc
顶针过滤---------------------------yx_ewe
顶针数量统计-----------------------yx_etu
顶针坐标列表-----------------------yx_ety
顶针孔输出清理---------------------yx_exe
模仁角避空-------------------------yx_mk
塑料资料---------------------------yx_pi
模具钢材资料-----------------------yx_pm
AutoCAD使用技巧--------------------yx_pc
注塑不良解决方法-------------------yx_pe
塑胶模具经典结构-------------------yx_pg
塑胶模具设计注意事项---------------yx_py
添加标注文字边框-------------------yx_dtk
翻转标注文字方向-------------------yx_dfz
坐标标注尺寸界线变直---------------yx_daf
坐标标注文字重叠整理---------------yx_daz
线性标注文字重叠整理---------------yx_ddz
解除标注的关联性-------------------yx_dgl
将所有标注设置为当前标注样式-------yx_sdta
检查坐标标注原点个数---------------yx_cuy
检查坐标标注定义点是否正确---------yx_cda
检查标注点上是否有对象-------------yx_cdd
检查全部标注是否有公差-------------yx_cdt
检查标注测量值是否被修改-----------yx_cde
检查全部标注的比例因子-------------yx_cds
标注文字还原-----------------------yx_dty
文字前加数量-----------------------yx_dn
文字前加螺丝数量-------------------yx_dm
零件库-----------------------------yx_k
模胚-------------------------------yx_mb
水路-------------------------------yx_cl
顶针-------------------------------yx_et
弹簧-------------------------------yx_tf
内六角螺丝-------------------------yx_sw
定位环/唧咀------------------------yx_sprue
热流道-----------------------------yx_hs
支撑柱-----------------------------yx_sp
斜导柱-----------------------------yx_ag
垃圾钉-----------------------------yx_lp
限位块-----------------------------yx_xw
中托司-----------------------------yx_egp
先在有权限可以安装的电脑里面安装好《燕秀工具箱》,然后把安装好的《燕秀工具箱》安装目录复制到无权限的电脑里面,再按照手动加载的方法安装,如果不知手动加载安装请看燕秀工具箱的帮助里面的如何安装。
2、电脑不能上网,也不能插U盘,请问怎么安装新版本燕秀工具箱?
用可以上网的电脑(比如网吧)到我们bbs.yxcax.com下载最新版本燕秀工具箱,然后用邮件附件方式发送到你们公司的邮箱里面,然后叫你们文员吧那个邮件的附件放到你们的局域网共享盘里面,然后再手动安装。本站为您提供燕秀工具箱3.0版本

【基本介绍】
燕秀工具箱支持AutoCAD2004、2005、2006、2007、2008、2009、2010、2011、2012支持简体及繁体64位Win7系统。免费AutoCAD塑胶模具增强外挂程序。注重应用功能的增强,并不只是画画标准件而已。燕秀cad工具箱是一款可以帮助用户增加CAD软件附加功能的插件,通过这款软件,用户可以享受多种零件的设计以及图纸的设计操作,您可以将本软件加载到CAD中使用,也可以独立运行,通过添加CAD文件的形式将您的设计作品导入燕秀cad工具箱2017官网最新版中编辑、修改、优化;其支持的功能有近百种,并且已经将基本的功能安装一定的分类放入了菜单项目中,方便您在使用的时候可以快速调取自己需要的CAD辅助工具
【软件特点】
1.流道内压力损耗小,塑料流动性好,温度均匀,则产品的内应力,变形就会减小,产品表面质量和力学性能就会大大提高;(常见的缩水、填充不足、熔接痕、颜色不均、飞边、翘曲现象也可以减少);2.消除全部或大部分流道废料,物料的有效利用率高,不必回用旧料;
3.缩短了成型周期,开模行程,提高了生产效率;
4.热流道均为自动切断浇口,可以提高自动化程度 ;
5.降低注塑压力,有利于保护模具,延长使用寿命;
6.多模腔模具可保证填充均匀,质量一致;
【软件功能】
尺寸驱动文字批量替换
文字加框
取消块隐藏
模仁角逼空
局部放大
组立图3D输出
画剖面线
画截断线
对象匹配过滤
顶针数量统计
保存视图
对象快速过滤
定位环/唧咀
智能中心线
修改标注文字高度
计算打印区域标注文字高度
修改快捷键
自定义零件库
自动定模胚大小
坐标标注+连续标注
表面粗糙度标注
智能标注
【安装方法】
1、解压下载好的安装包,选择安装语言后单击【确定】。
2、进入安装向导,单击【下一步】。

3、选择【我接受此协议】。

4、单击【下一步】。

5、选择软件的安装路径后,单击【下一步】。

6、选择开始菜单文件夹后,单击【下一步】。

7、选择附加任务后,单击【下一步】。

8、确认安装信息无误后,单击【安装】。

9、单击【下一步】。

10、软件安装完毕。

【使用教程】
如何在高版本AUTOCAD中加载燕秀工具在安装燕秀工具箱时,会出现如下的对话框,要求我们选择电脑上已经安装好的AUTOCAD软件的版本。由于工具箱最高只能自动加载到AUTOCAD2012版本,所以在这里我们不用勾选,直接按下一步进行。完成安装后关闭。

启动AUTOCAD2014软件,在菜单栏找到“管理”,再在下拉中找到“加载应用程序”,进行点击进去。找到刚才燕秀工具箱安装的根目录。我的是安装在C盘/program files/燕秀工具箱/yanxiu.vlx。


在上一步中我们已经找到yanxiu.vlx文件,双击进行加载,如出现提示框告诉我们燕秀工具箱已经加载成功。


关闭AUTOCAD2014,再重新启动,就会出现如图所示所有燕秀工具加载完成的图面。由于所有的工具都显示在工作界面上,给我们的绘图会带来很大的影响,我们要关闭一些不常用的工具条。以保持界面的整洁,方便绘图。

关闭所有的工具条后,我们在需要再使用时,在”视图“菜单中找到”工具栏“,点击下面小三角符号,会出现AUTOCAD与YANXIU两个工具栏,我们把鼠标指向YANXIU后面的小三角,就会出现我们期待已久的燕秀工具箱的工具条,将我们需要的勾选,就会出现在界面中,供我们使用了。


我们也可以在现有的燕秀工具条上右键,导出所有燕秀工具条,再根据我们的实际选择需要使用的工具条。

燕秀工具箱快捷键设置教程
打开cad2007确保已经安装好燕秀工具箱

点击【燕秀工具箱】。【环境设置】-【自定义快捷键】。

弹出【cad信息】点击【确定】

弹出名为【acad.pgp】记事本文件。

以中心线为例!首先把鼠标移到中心线按钮上,就会显示出完整快捷键。中心线为yx_cen。

在【acad.pgp】记事本文件中快捷键下端加入
cen, *yx_cen

单击【文件】-【保存】

重新打开cad2007.绘制一个圆

输入cen安【空格】确定。选择圆再按【空格】确定。

中心线绘制完毕!

【使用技巧】
CAD计算单独线段长度和多个线段的总长度的方法方法1:计算单个线段
首先打开我们要测长度所对应的cad图纸,然后鼠标左键选中我们要测的线段

然后在左键双击这条线段,就会弹出这条线段的对应信息的对话框

往下拉伸这个对话框,我们就可以看到这个线段的长度了

方法2:计算多个线段的每段长度
首先在命令栏输入命令“li"(英文大小写都可以,这个没有影响,下面步骤中输入命令也是这样,没有区分),然后按”Enter“键确定

然后我们选择两条不同的线段,如图所示,选择好对象,按”Enter“键确定

就会弹出文本窗口,上面有两个不同的对象的长度值

【常用快捷键】
组立图3D输出-----------------------yx_asmout输入图元自动分层-------------------yx_fc
顶针过滤---------------------------yx_ewe
顶针数量统计-----------------------yx_etu
顶针坐标列表-----------------------yx_ety
顶针孔输出清理---------------------yx_exe
模仁角避空-------------------------yx_mk
塑料资料---------------------------yx_pi
模具钢材资料-----------------------yx_pm
AutoCAD使用技巧--------------------yx_pc
注塑不良解决方法-------------------yx_pe
塑胶模具经典结构-------------------yx_pg
塑胶模具设计注意事项---------------yx_py
添加标注文字边框-------------------yx_dtk
翻转标注文字方向-------------------yx_dfz
坐标标注尺寸界线变直---------------yx_daf
坐标标注文字重叠整理---------------yx_daz
线性标注文字重叠整理---------------yx_ddz
解除标注的关联性-------------------yx_dgl
将所有标注设置为当前标注样式-------yx_sdta
检查坐标标注原点个数---------------yx_cuy
检查坐标标注定义点是否正确---------yx_cda
检查标注点上是否有对象-------------yx_cdd
检查全部标注是否有公差-------------yx_cdt
检查标注测量值是否被修改-----------yx_cde
检查全部标注的比例因子-------------yx_cds
标注文字还原-----------------------yx_dty
文字前加数量-----------------------yx_dn
文字前加螺丝数量-------------------yx_dm
零件库-----------------------------yx_k
模胚-------------------------------yx_mb
水路-------------------------------yx_cl
顶针-------------------------------yx_et
弹簧-------------------------------yx_tf
内六角螺丝-------------------------yx_sw
定位环/唧咀------------------------yx_sprue
热流道-----------------------------yx_hs
支撑柱-----------------------------yx_sp
斜导柱-----------------------------yx_ag
垃圾钉-----------------------------yx_lp
限位块-----------------------------yx_xw
中托司-----------------------------yx_egp
【相关问题】
1、显示您的系统用户没有安装权限,提示不能安装怎么办?先在有权限可以安装的电脑里面安装好《燕秀工具箱》,然后把安装好的《燕秀工具箱》安装目录复制到无权限的电脑里面,再按照手动加载的方法安装,如果不知手动加载安装请看燕秀工具箱的帮助里面的如何安装。
2、电脑不能上网,也不能插U盘,请问怎么安装新版本燕秀工具箱?
用可以上网的电脑(比如网吧)到我们bbs.yxcax.com下载最新版本燕秀工具箱,然后用邮件附件方式发送到你们公司的邮箱里面,然后叫你们文员吧那个邮件的附件放到你们的局域网共享盘里面,然后再手动安装。本站为您提供燕秀工具箱3.0版本

