起点提供multisim14.0破解版下载,multisim14.0汉化破解版是一款以Windows为基础的SPICE仿真软件。multisim拥有所见即所得的设计环境和互动式的仿真界面,同时具有3D效果的仿真电路、虚拟仪表、图形显示窗口等,并集成了参数分析、与新嵌入式硬件,可以完成从理论到原理图捕获与仿真再到原型设计和测试这样一个完整的综合设计流程。

工程师们可以使用Multisim交互式地搭建电路原理图,并对电路进行仿真。Multisim提炼了SPICE仿真的复杂内容,这样工程师无需懂得深入的SPICE技术就可以很快地进行捕获、仿真和分析新的设计,这也使其更适合电子学教育。
Multisim 14是由Interactive Image Technologies (Electronics Workbench)公司推出的一款专业且超级实用的以Windows为基础的仿真工具。Multisim 14功能全面,拥有最直观的捕捉和仿真功能,能快速建立完整组件的电路图。除此之外,Multisim 14利用自带的SPICE模拟器来模仿电路行为,且它的SPICE分析和虚拟仪器能够让使用者提前对电路设计进行验证,从而缩短建模循环。它适用于板级的模拟/数字电路板的设计工作,对于工程师来说,可通过它交互式地搭建电路原理图,从而提供了工作效率。
全新的主动分析模式可让您更快速获得仿真结果和运行分析。
2、电压、电流和功率探针
通过全新的电压、电路、功率和数字探针可视化交互仿真结果
3、了解基于Digilent FPGA板卡支持的数字逻辑
使用Multisim探索原始VHDL格式的逻辑数字原理图,以便在各种FPGA数字教学平台上运行。
4、基于Multisim和MPLAB的微控制器教学
全新的MPLAB教学应用程序集成了Multisim 14,可用于实现微控制器和外设仿真。
5、借助Ultiboard完成高年级设计项目
Ultiboard学生版新增了Gerber和PCB制造文件导出函数,以帮助学生完成毕业设计项目。
6、用于iPad的Multisim Touch
借助全新的iPad版Multisim,随时随地进行电路仿真。
7、来自领先制造商的6,000多种新组件
借助领先半导体制造商的新版和升级版仿真模型,扩展模拟和混合模式应用。
9、先进的电源设计
借助来自NXP和美国国际整流器公司开发的全新MOSFET和IGBT,搭建先进的电源电路。
10、基于Multisim和MPLAB的微控制器设计
借助Multisim与MPLAB之间的新协同仿真功能,使用数字逻辑搭建完整的模拟电路系统和微控制器

整个操作界面就像一个电子实验工作台,绘制电路所需的元器件和仿真所需的测试仪器均可直接拖放到屏幕上,轻点鼠标可用导线将它们连接起来,软件仪器的控制面板和操作方式都与实物相似,测量数据、波形和特性曲线如同在真实仪器上看到的;
丰富的元器件
提供了世界主流元件提供商的超过17000多种元件,同时能方便的对元件各种参数进行编辑修改,能利用模型生成器以及代码模式创建模型等功能,创建自己的元器件。
强大的仿真能力
以SPICE3F5和Xspice的内核作为仿真的引擎,通过Electronic workbench 带有的增强设计功能将数字和混合模式的仿真性能进行优化。包括SPICE仿真、RF仿真、MCU仿真、VHDL仿真、电路向导等功能。
丰富的测试仪器
提供了22种虚拟仪器进行电路动作的测量
完备的分析手段
Multisimt提供了许多分析功能
独特的射频(RF)模块
提供基本射频电路的设计、分析和仿真。射频模块由RF-specific(射频特殊元件,包括自定义的RF SPICE模型)、用于创建用户自定义的RF模型的模型生成器、两个RF-specific仪器(Spectrum Analyzer频谱分析仪和Network Analyzer网络分析仪)、一些RF-specific分析(电路特性、匹配网络单元、噪声系数)等组成;
强大的MCU模块
支持4种类型的单片机芯片,支持对外部RAM、外部ROM、键盘和LCD等外围设备的仿真,分别对4 种类型芯片提供汇编和编译支持;所建项目支持C代码、汇编代码以及16进制代码,并兼容第三方工具源代码; 包含设置断点、单步运行、查看和编辑内部RAM、特殊功能寄存器等高级调试功能。
完善的后处理
对分析结果进行的数学运算操作类型包括算术运算、三角运算、指数运行、对数运算、复合运算、向量运算和逻辑运算等;
详细的报告
能够呈现材料清单、元件详细报告、网络报表、原理图统计报告、多余门电路报告、模型数据报告、交叉报表7种报告;
兼容性好的信息转换
提供了转换原理图和仿真数据到其他程序的方法,可以输出原理图到PCB布线(如Ultiboard、OrCAD、PADS Layout2005、P-CAD和Protel);输出仿真结果到MathCAD、Excel或LabⅥEW;输出网络表文件;向前和返回注;提供Internet Design Sharing(互联网共享文件)

2、点击第一项开始安装;

3、输入任意Name和序列号,弹出窗口点击NO;

4、选择安装目录,注意不要带有中文;

5、将选项中的勾去掉;

6、勾选允许用户协议;

7、点击NEXT开始安装;

8、等待安装完成;

9、将汉化补丁“Chinese-simplified”复制到软件目录下的stringfiles文件夹,默认目录为C:\ProgramFiles(x86)\NationalInstruments\CircuitDesignSuite14.0\stringfiles

10、运行破解工具“NI_Circuit_Design_Suite_14_0.exe”,右键点击Multisim14下的选项,点击“Activate..”将选项全部变为绿色即可。

打开安装好的multisim14。如下图。

找到查找元器件的选项。

添加自己所需要的元器件。

将元件位置摆放好。进行连线。

放置观察工具,观察仿真情况。

Multisim14.0如何打开样本电路
开启我们下载好的Multisim14.0软件,如图所示

选择左上角的“打开样本”选项(文件夹图标),如图所示;

选中后,打开Multisim14.0一些自带的电路图实例,大家可以参考使用,遇到不懂的英文可百度收索查看,如图所示;

这里打开了一个自带的信号放大电路图,如图所示;

点击右上角“运行”按键,查看电路图输出结果,对比自己的原理图可以进行适当的修改,如图所示;

双击图中的“示波器”选项,打开波形显示界面,查看我们放大后的波形是否失真,如图所示。

Multisim14.0仿真软件中示波器如何使用
开启我们下载好的Multisim14.0软件
选择工具栏的“示波器”选项,如图所示,放置到界面中;

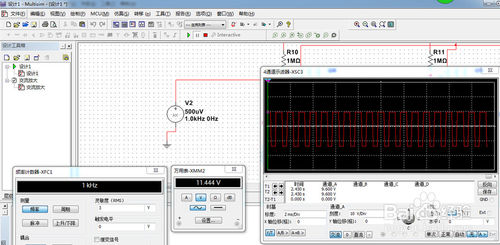
这里我们测试一个交流信号经过放大器后的输出波形,电路如图所示;

点击右上脚的“运行”图标,如图所示;

双击我们的“示波器”图标,如图所示;

通过按下“暂停”选项,我们可以停止波形,如图所示;

通过滑动“滚动条”可以查看开始的波形,通过设置图中的选项,可调节波形大小,如图所示。

【基本介绍】
Multisim是美国国家仪器(NI)有限公司推出的以Windows为基础的仿真工具,适用于板级的模拟/数字电路板的设计工作。它包含了电路原理图的图形输入、电路硬件描述语言输入方式,具有丰富的仿真分析能力。工程师们可以使用Multisim交互式地搭建电路原理图,并对电路进行仿真。Multisim提炼了SPICE仿真的复杂内容,这样工程师无需懂得深入的SPICE技术就可以很快地进行捕获、仿真和分析新的设计,这也使其更适合电子学教育。
Multisim 14是由Interactive Image Technologies (Electronics Workbench)公司推出的一款专业且超级实用的以Windows为基础的仿真工具。Multisim 14功能全面,拥有最直观的捕捉和仿真功能,能快速建立完整组件的电路图。除此之外,Multisim 14利用自带的SPICE模拟器来模仿电路行为,且它的SPICE分析和虚拟仪器能够让使用者提前对电路设计进行验证,从而缩短建模循环。它适用于板级的模拟/数字电路板的设计工作,对于工程师来说,可通过它交互式地搭建电路原理图,从而提供了工作效率。
【软件功能】
1、主动分析模式全新的主动分析模式可让您更快速获得仿真结果和运行分析。
2、电压、电流和功率探针
通过全新的电压、电路、功率和数字探针可视化交互仿真结果
3、了解基于Digilent FPGA板卡支持的数字逻辑
使用Multisim探索原始VHDL格式的逻辑数字原理图,以便在各种FPGA数字教学平台上运行。
4、基于Multisim和MPLAB的微控制器教学
全新的MPLAB教学应用程序集成了Multisim 14,可用于实现微控制器和外设仿真。
5、借助Ultiboard完成高年级设计项目
Ultiboard学生版新增了Gerber和PCB制造文件导出函数,以帮助学生完成毕业设计项目。
6、用于iPad的Multisim Touch
借助全新的iPad版Multisim,随时随地进行电路仿真。
7、来自领先制造商的6,000多种新组件
借助领先半导体制造商的新版和升级版仿真模型,扩展模拟和混合模式应用。
9、先进的电源设计
借助来自NXP和美国国际整流器公司开发的全新MOSFET和IGBT,搭建先进的电源电路。
10、基于Multisim和MPLAB的微控制器设计
借助Multisim与MPLAB之间的新协同仿真功能,使用数字逻辑搭建完整的模拟电路系统和微控制器

【软件特性】
直观的图形界面整个操作界面就像一个电子实验工作台,绘制电路所需的元器件和仿真所需的测试仪器均可直接拖放到屏幕上,轻点鼠标可用导线将它们连接起来,软件仪器的控制面板和操作方式都与实物相似,测量数据、波形和特性曲线如同在真实仪器上看到的;
丰富的元器件
提供了世界主流元件提供商的超过17000多种元件,同时能方便的对元件各种参数进行编辑修改,能利用模型生成器以及代码模式创建模型等功能,创建自己的元器件。
强大的仿真能力
以SPICE3F5和Xspice的内核作为仿真的引擎,通过Electronic workbench 带有的增强设计功能将数字和混合模式的仿真性能进行优化。包括SPICE仿真、RF仿真、MCU仿真、VHDL仿真、电路向导等功能。
丰富的测试仪器
提供了22种虚拟仪器进行电路动作的测量
完备的分析手段
Multisimt提供了许多分析功能
独特的射频(RF)模块
提供基本射频电路的设计、分析和仿真。射频模块由RF-specific(射频特殊元件,包括自定义的RF SPICE模型)、用于创建用户自定义的RF模型的模型生成器、两个RF-specific仪器(Spectrum Analyzer频谱分析仪和Network Analyzer网络分析仪)、一些RF-specific分析(电路特性、匹配网络单元、噪声系数)等组成;
强大的MCU模块
支持4种类型的单片机芯片,支持对外部RAM、外部ROM、键盘和LCD等外围设备的仿真,分别对4 种类型芯片提供汇编和编译支持;所建项目支持C代码、汇编代码以及16进制代码,并兼容第三方工具源代码; 包含设置断点、单步运行、查看和编辑内部RAM、特殊功能寄存器等高级调试功能。
完善的后处理
对分析结果进行的数学运算操作类型包括算术运算、三角运算、指数运行、对数运算、复合运算、向量运算和逻辑运算等;
详细的报告
能够呈现材料清单、元件详细报告、网络报表、原理图统计报告、多余门电路报告、模型数据报告、交叉报表7种报告;
兼容性好的信息转换
提供了转换原理图和仿真数据到其他程序的方法,可以输出原理图到PCB布线(如Ultiboard、OrCAD、PADS Layout2005、P-CAD和Protel);输出仿真结果到MathCAD、Excel或LabⅥEW;输出网络表文件;向前和返回注;提供Internet Design Sharing(互联网共享文件)
【安装破解教程】
1、运行NI_Circuit_Design_Suite_14_0.exe,默认解压C盘,改成其他盘并记住位置,解压后会自动运行其文件夹下的autorun.exe,如无运行可点击setup.exe直接安装。
2、点击第一项开始安装;

3、输入任意Name和序列号,弹出窗口点击NO;

4、选择安装目录,注意不要带有中文;

5、将选项中的勾去掉;

6、勾选允许用户协议;

7、点击NEXT开始安装;

8、等待安装完成;

9、将汉化补丁“Chinese-simplified”复制到软件目录下的stringfiles文件夹,默认目录为C:\ProgramFiles(x86)\NationalInstruments\CircuitDesignSuite14.0\stringfiles

10、运行破解工具“NI_Circuit_Design_Suite_14_0.exe”,右键点击Multisim14下的选项,点击“Activate..”将选项全部变为绿色即可。

【使用教程】
怎么在multisim14里仿真电路打开安装好的multisim14。如下图。

找到查找元器件的选项。

添加自己所需要的元器件。

将元件位置摆放好。进行连线。

放置观察工具,观察仿真情况。

Multisim14.0如何打开样本电路
开启我们下载好的Multisim14.0软件,如图所示

选择左上角的“打开样本”选项(文件夹图标),如图所示;

选中后,打开Multisim14.0一些自带的电路图实例,大家可以参考使用,遇到不懂的英文可百度收索查看,如图所示;

这里打开了一个自带的信号放大电路图,如图所示;

点击右上角“运行”按键,查看电路图输出结果,对比自己的原理图可以进行适当的修改,如图所示;

双击图中的“示波器”选项,打开波形显示界面,查看我们放大后的波形是否失真,如图所示。

Multisim14.0仿真软件中示波器如何使用
开启我们下载好的Multisim14.0软件
选择工具栏的“示波器”选项,如图所示,放置到界面中;

这里我们测试一个交流信号经过放大器后的输出波形,电路如图所示;

点击右上脚的“运行”图标,如图所示;

双击我们的“示波器”图标,如图所示;

通过按下“暂停”选项,我们可以停止波形,如图所示;

通过滑动“滚动条”可以查看开始的波形,通过设置图中的选项,可调节波形大小,如图所示。
