您的位置:起点软件下载文件共享开工报告表格

开工报告表格 2017 word版

软件大小:50KB

用户评分:

软件类型:国产软件

运行环境:Win All

软件语言:简体中文

软件分类:文件共享

更新时间:2017/5/10 16:18:32

授权方式:免费软件

插件情况:无 插 件

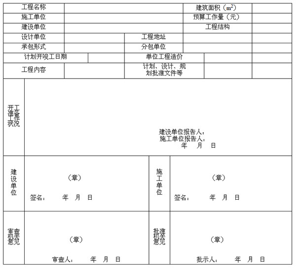
起点为大家提供开工报告表格下载。该表格为word格式,专为工程人员准备,具备了工程名称、施工单位、建设单位、工作内容、审核意见等内容,具体表格内容可根据实际情况再作修改,有需要的快来下载吧。
开工报告表格下载

【基本介绍】

本表格是工程开工报告格式,格式标准,开工报告要求写明工程名称、开工日期、计划竣工日期、工程主要内容及工程量、工程准备情况等,需要的朋友可以下载。